logo

Détails des produits

Created with Pixso. À la maison Created with Pixso. Produits Created with Pixso.
Dispositifs de protection de basse tension
Created with Pixso.

Casque en laiton rugueux Panneau tactile HMI Armature de sciage 1250W 11-12110-00

Casque en laiton rugueux Panneau tactile HMI Armature de sciage 1250W 11-12110-00

Nom De Marque: Emerson
Numéro De Modèle: 11 à 21 10 00
Quantité De Produit: 1
Prix: Négociable
Conditions De Paiement: L/C, D/A, D/P, T/T, Western Union, MoneyGram
Capacité à Fournir: En stock
Informations détaillées
Lieu d'origine:
Amérique
Certification:
CE
Détails d'emballage:
Boîte originale neuve
Capacité d'approvisionnement:
En stock
Description du produit
Description détaillée du produit
Marque : Emerson Modèle : 11-12110-00
Origine : 11-12110-00 CA : 120/240/480/600VAC
W : 1250W Emballage : Carton
Point fort :

écran tactile hmi

,

panneaux hmi industriels

 

 

Écran tactile HMI Emerson GO SWITCH 11-12110-00 1250W 120/240/480/600VAC 1/2 po NPT

 

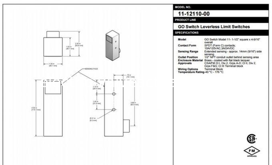
Le modèle 11 de GO Switch est doté de boîtiers robustes et d'homologations mondiales. Les contacts sont conçus pour 10 ampères. Les boîtiers en acier inoxydable sont recommandés pour les environnements humides ou difficiles. Tous les interrupteurs comprennent des vis de montage à tête ronde avec rondelle et écrou de blocage. L'interrupteur de fin de course sans levier d'origine, le GO Switch Modèle 11, est doté de contacts dorés scellés, d'une détection sans contact et d'une réponse à action brusque dans une conception d'interrupteur carrée : 38 mm carrés x 116 mm de haut. Comme pour tous les interrupteurs GO, il peut être câblé en CA ou en CC, NO ou NF, ne consomme aucune énergie pour fonctionner et n'a ni fuite de courant ni chute de tension.

Disponible dans un boîtier robuste en laiton ou en acier inoxydable, le GO Switch Modèle 11 résiste aux chocs physiques, à l'humidité et aux produits corrosifs. Il offre des contacts SPDT de 10 ampères qui conviennent aux courants forts ou faibles, ainsi qu'une détection latérale standard de 10 mm, une détection étendue jusqu'à 14 mm ou une détection de précision de 6 mm. Adapté aux applications antidéflagrantes de zone 0, 1 ou 2 (Div 1 et 2), il peut résister à des températures allant jusqu'à 176 °C et est submersible jusqu'à 132 mètres.

La conception simple du modèle 11, son boîtier robuste, sa longue portée de détection, sa flexibilité de câblage et ses homologations mondiales en font un choix idéal partout où une détection de position fiable est nécessaire.

Avantages :

  • Le boîtier robuste en laiton ou en acier inoxydable résiste aux chocs physiques, à l'humidité, aux environnements explosifs et corrosifs.
  • L'induit à bascule assure une action brusque et une pression de contact solide, éliminant les « chatouillements de contact » et les « vibrations de contact » dans les applications à fortes vibrations
  • Contacts SPDT robustes évalués à 10 ampères/120 VAC, 3 ampères/24 VCC, 0,5 ampères/125 VCC
  • Température standard -40 °C à 105 °C, option haute température jusqu'à 176 °C
  • Convient aux applications antidéflagrantes de zone 0, 1 ou 2 (Division 1 et 2)
  • Le seul interrupteur de proximité antidéflagrant au monde évalué à 10 ampères

 

 

Capteurs magnétiques : Type de capteur - Capteur magnétique inductif ; Application - Détection de métaux ferreux ; Style de montage du boîtier - Bloc ; Position de détection - Latérale ; Fils - 3 W ; Mode de sortie - SPDT ; Matériau - Boîtier - Laiton, laque noire ; Type de connexion - Sortie de conduit ; Taille de la connexion - 1/2 " NPT ; Indice du boîtier - Classe 1, Div. 2 ; Température de fonctionnement - -40 à 177 °C -40 à 350 °F ; Informations supplémentaires - Distance de détection : 14 mm. Avec aimant cible : 95 mm non inclus ; Série du fabricant - GO Switch Série 10

 

Informations supplémentaires : Distance de détection : 14 mm. Avec aimant cible : 95 mm (non inclus)

 

Casque en laiton rugueux Panneau tactile HMI Armature de sciage 1250W 11-12110-00 0

 

Spécifications:

Type de capteur : Capteur magnétique
Application : Détection de métaux ferreux
Style de montage du boîtier : Bloc
Position de détection : Latérale
Fils : 3W
Mode de sortie : SPDT
Matériau - Boîtier : Laiton, laque noire
Type de connexion : Sortie de conduit
Taille de la connexion : 1/2 po NPT
Indice du boîtier : Classe 1, Div. 2
Température de fonctionnement : -40 à 177 degrés C (-40 à 350 degrés F)

 

 

Modèles similaires :

81-20546-A2 81-20516-A2
7E-33658-DCA 7G-13529-B3
73-1352T-A2 73-13523-A2
73-13524-A2 11-11524-A2