logo

Détails des produits

Created with Pixso. À la maison Created with Pixso. Produits Created with Pixso.
Dispositifs de protection de basse tension
Created with Pixso.

Contrôleurs Ethernet PLC IC693CMM321, Module Ethernet E/S SÉRIE 90-30 4 canaux

Contrôleurs Ethernet PLC IC693CMM321, Module Ethernet E/S SÉRIE 90-30 4 canaux

Nom De Marque: GE
Numéro De Modèle: IC693CMM321
Quantité De Produit: 1
Prix: Négociable
Conditions De Paiement: L/C, D/A, D/P, T/T, Western Union, MoneyGram
Capacité à Fournir: In Stock
Informations détaillées
Place of Origin:
USA
Certification:
CE
Packaging Details:
New Original Box
Supply Ability:
In Stock
Mettre en évidence:

4 canaux 90-30 Module Ethernet

,

Module Ethernet de la série 90-30

,

Module Ethernet IC693CMM321

Description du produit
Description détaillée du produit
Marque : GE Modèle : Lieu d'origine :
Lieu d'origine : USA Nom du produit : Module d'interface Ethernet
Série : 90-30 Poids : 1 LBS
Ondulation de tension : Consommation d'énergie : Réponse du filtre d'entrée : Consommation de courant de l'alimentation interne +5 V :
Point fort :

,

,

 

 

Contrôleur logique programmable PLC IC693CMM321 GE FANUC SÉRIE 90-30 Module d'interface Ethernet

 

 

 

 

Notez que dans la description de ce module, le module sera simplement appelé Module Combo Analogique.

 

Chaque entrée analogique est capable de fournir cinq plages d'entrée (deux tensions et trois courants), qui sont :

 

0 à +10 volts (unipolaire) - plage par défaut pour les canaux d'entrée et de sortie.

  • –10 à +10 volts (bipolaire)
  • 0 à 20 milliampères
  • 4 à 20 mA amélioré
  • La plage d'entrée par défaut est le mode tension 0 à +10 volts (unipolaire) avec des données utilisateur mises à l'échelle de sorte que 0 V corresponde à un compte de 0 et 10 V corresponde à un compte de 32 767.

 

Chaque sortie analogique est capable de fournir quatre plages de sortie (deux tensions et deux courants) :

 

0 à +10 volts (unipolaire) - plage par défaut pour les canaux d'entrée et de sortie.

  • –10 à +10 volts (bipolaire)
  • 0 à 20 milliampères
  • 4 à 20 milliampères
  • 4 à 20 milliampères

 

 

 

DÉTAILS RAPIDES

  1. Marque :GE
  2. Modèle :IC693CMM321Lieu d'origine :
  3. USADESCRIPTION

 

Les sorties peuvent être configurées pour maintenir le dernier état ou pour se réinitialiser à l'extrémité inférieure de leur plage si l'alimentation du système est interrompue. Les sorties peuvent également être configurées pour fonctionner en mode rampe sur commande du programme d'application. En mode rampe, le canal de sortie passe à une nouvelle valeur sur une période de temps, plutôt que de prendre la nouvelle valeur immédiatement. Des limites d'alarme haute et basse peuvent être définies pour tous les canaux d'entrée et un défaut de fil ouvert (modes de sortie de courant) peut être signalé au processeur pour chaque canal de sortie. Les modules ALG442 dans les racks RX3i prennent en charge les mises à niveau du micrologiciel sur le terrain.

SPÉCIFICATIONS

 

 

Nombre de canaux d'entrée :

4 différentielsPlages d'entrée :
0 à 20 mA / 4 à 20 mA / 4 à 20 mA amélioréRésolution 0 à +10 V :
2,5 mV (1 LSB = 2,5 mV)Résolution -10 à +10 V :
5 mV (1 LSB = 5 mV)Réponse du filtre d'entrée :
29 HzConsommation de courant de l'alimentation interne +5 V :
95 mAConsommation de courant de l'alimentation utilisateur externe :
129 mAType d'appareil :
Entrée / Sortie analogique, courant / tensionPlage de tension d'alimentation externe :
20 à 30 VDC (24 VDC typique)Ondulation de tension :
10 %Consommation d'énergie :
95 mA de l'alimentation interne +5 VDC, 150 mA de l'alimentation externe +24 VDCTaux de mise à jour : Taux de mise à jour :
3 msIsolation, champ vers fond de panier et vers la masse du châssis :
250 VAC en continu ; 1 500 VAC pendant 1 minuteSorties analogiques :
Deux, asymétriquesPlages de sortie :
0 à 20 mA, 4 à 20 mACapacité de charge de sortie :
2 000 pF (maximum)Inductance de charge de sortie :
1 H (maximum)Le module d'entrée/sortie combiné analogique courant/tension fournit jusqu'à 4 canaux d'entrée différentiels courant ou tension et 2 canaux de sortie asymétriques avec des sorties en boucle de courant ou des sorties de tension. Chaque canal peut être configuré individuellement pour la plage de courant ou de tension, selon le cas, requise pour votre application. Toute la configuration du module se fait par logiciel, à l'exception d'un cavalier requis pour la sélection du mode d'entrée de courant. Toutes les plages peuvent être configurées à l'aide de la fonction de configuration du logiciel de programmation Logicmaster 90-30/20/Micro ou du programmeur portable série 90-30.

 

 

Notez que dans la description de ce module, le module sera simplement appelé Module Combo Analogique.

 

Chaque entrée analogique est capable de fournir cinq plages d'entrée (deux tensions et trois courants), qui sont :

 

0 à +10 volts (unipolaire) - plage par défaut pour les canaux d'entrée et de sortie.

  • –10 à +10 volts (bipolaire)
  • 0 à 20 milliampères
  • 4 à 20 mA amélioré
  • La plage d'entrée par défaut est le mode tension 0 à +10 volts (unipolaire) avec des données utilisateur mises à l'échelle de sorte que 0 V corresponde à un compte de 0 et 10 V corresponde à un compte de 32 767.

 

Chaque sortie analogique est capable de fournir quatre plages de sortie (deux tensions et deux courants) :

 

0 à +10 volts (unipolaire) - plage par défaut pour les canaux d'entrée et de sortie.

  • –10 à +10 volts (bipolaire)
  • 0 à 20 milliampères
  • 4 à 20 milliampères
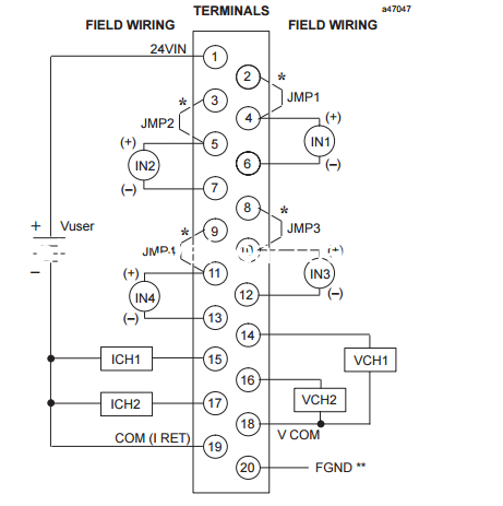
  • Schéma de câblage sur site du module combiné analogique IC693ALG442
 
PRODUITS SIMILAIRES
 
Contrôleurs Ethernet PLC IC693CMM321, Module Ethernet E/S SÉRIE 90-30 4 canaux 0
 
IC693CMM321A
IC693CMM321B IC693CMM321C IC693CMM321D
IC693CMM321E IC693CMM321F IC693CMM321G
IC693CMM321H IC693CMM321J IC693CMM321K
IC693CMM321K IC693CMM321L IC693CMM321M
IC693CMM321N IC693CMM321O IC693CMM321P
IC693CMM321Q IC693CMM321R IC693CMM321S
IC693CMM321T IC693CMM321U IC693CMM321V
IC693CMM321W IC693CMM321X IC693CMM321Y
IC693CMM321Z AUTRES PRODUITS SUPÉRIEURS

 

 

Contrôleurs Ethernet PLC IC693CMM321, Module Ethernet E/S SÉRIE 90-30 4 canaux 1

 


Moteur Yasakawa, Driver SG- Moteur Mitsubishi HC-,HA-

Modules Westinghouse 1C-,5X- Emerson VE-,KJ-
Honeywell TC-,TK-
Moteur Fanuc A0- Transmetteur Rosemount 3051- Transmetteur Yokogawa EJA-
Tag :
 
 

 

 
 

 

 

 
automatisation industrielle utilisant plc

,contrôleur programmable industriel

,contrôleur programmable industriel